Lenkgestell
siehe Schaubild (74)
Im Gegensatz zu den im Hauptrahmen gelagerten Kuppelachsen, bei denen nur ein paralleles Querverschieben möglich ist, werden die Laufachsen so angeordnet, daß sie sich nach der Gleiskrümmung einstellen können.
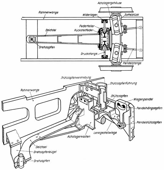
Beim Bisselgestell ist die Laufachse in einem Lenkgestell mit Deichsel gelagert und an einem am Rahmen befestigten Drehzapfen angelenkt. Die Lagerung selbst ist kugelig oder ballig ausgebildet, um Verklemmungen bei Schiefstellungen der Lokomotive zu vermeiden. Beim Befahren von Gleichkrümmungen stellt sich die Laufachse mehr oder weniger, je nach Deichsellänge radial ein. Das zu übernehmende Lokomotivgewicht wird bei dem Bisselgestell neuerer Bauart über zwei mit Sattelstücken versehene Federstützen unmittelbar auf Gleitplatten auf den Achslagergehäusen übertragen. Das Bisselgestell besitzt eine Rückstelleinrichtung, die aus einer starken Schraubenfeder mit zwei Druckstangen besteht. Die Druckstangen stützen sich am Lokomotivrahmen ab. Beim Befahren von Gleisbögen nimmt die Bisselachse in dem Maß, wie sich die Feder zusammendrückt, an der Führung der Lok im Gleisbogen teil. Im geraden Gleis wirkt die Bisselachse je nach Größe der Federvorspannung der Rückstelleinrichtung wie eine feste Achse.
Bei der älteren Bisselgestell-Bauart wird das zu übernehmende Lokomotivgewicht über einen in der Rahmenmitte liegenden Querausgleichhebel und einen Stützzapfen auf die sogenannte Wiege übertragen. Diese Wiege ist an vier Pendeln am Achslagerkasten des Lenkgestells aufgehängt. Bei einem seitlichen Ausschlag des Radsatzes stellen sich die Pendel schräg. Sie drehen sich um je einen Hängezapfen und heben dabei die Wiege etwas an. Dadurch entsteht eine Rückstellkraft, die um so größer wird, je größer der seitliche Ausschlag des Radsatzes ist.

Lenkgestell mit Federrückstelleinrichtung (Bisselgestell neuerer Bauart) und Lenkgestell mit Rückstellung mit Wiege und Pendel (Bisselgestell älterer Bauart)